- 產品詳情
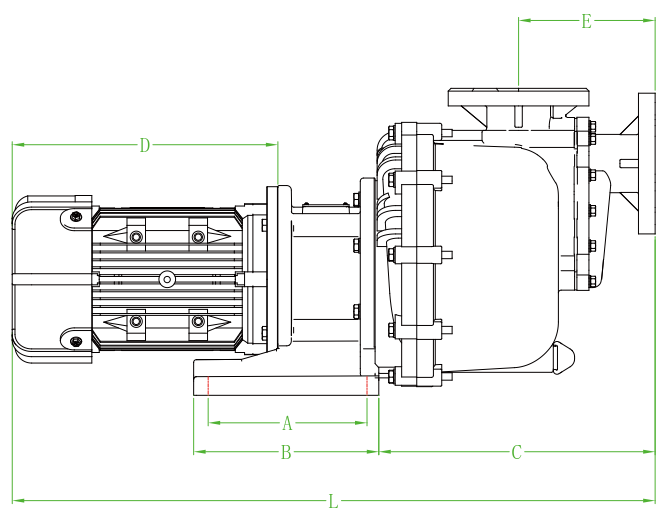
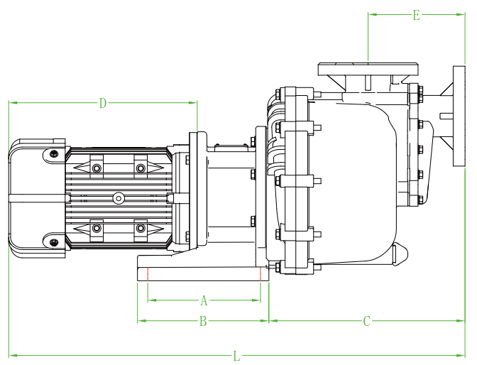
- 產品規格
- 型號說明
- 操作保養
1、泵體采用優質原生料,大幅提高產品耐腐蝕性及結構強度;
2、自吸筒與法蘭一體成型,無焊點,無泄漏;
3、中封蓋一體成型,采用強筋穩固,使用壽命長;
4、高效葉輪設計,一體成型,提高泵浦效率和使用壽命;
5、軸封材質可配合使用環境選擇不同材質。
【溫馨提示】
以上JKB-F耐空轉自吸泵均為【東莞市杰凱工業設備有限公司】-廠家直銷。
因材質、型號不同,具體價格請以實際報價為準!
咨詢產品價格、選型、資料等可以直接聯系在線客服!
24小時廠家咨詢服務電話:400-800-9738!
- [上一個] MGS臥式耐空轉自吸泵
- [下一個] MGS自吸泵
杰凱泵業


